Zbog novo usvojenog zakona (nZEB), javile su se određene dileme vezane uz odabir načina i sistema grijanja/hlađenja i pripremu potrošne tople vode (PTV).
Na tržištu postoji veliki broj rješenja i nije svako prikladno za svako područje ( kontinent, more ). Odgovarajuće rješenje se može odabrati uz razgovor sa projektantom i uz jasno definiranje zahtjeva (projektni zadatak). Potrebno je uzeti uz obzir dostupnost energenta na području izgradnje objekta i način korištenja ( cjelogodišnje/sezonsko). Također, od ne male važnosti je budžet koji stoji na raspolaganju.
Od ulaska Hrvatske u EU, redovito se objavljuju natječaji za sufinanciranje projekata energetske uštede i nadogradnje sustava grijanja/hlađenja na obiteljskim kućama. Zbog toga, potrebno je razmisliti u sustavu koji je u budućnosti moguće nadograditi.
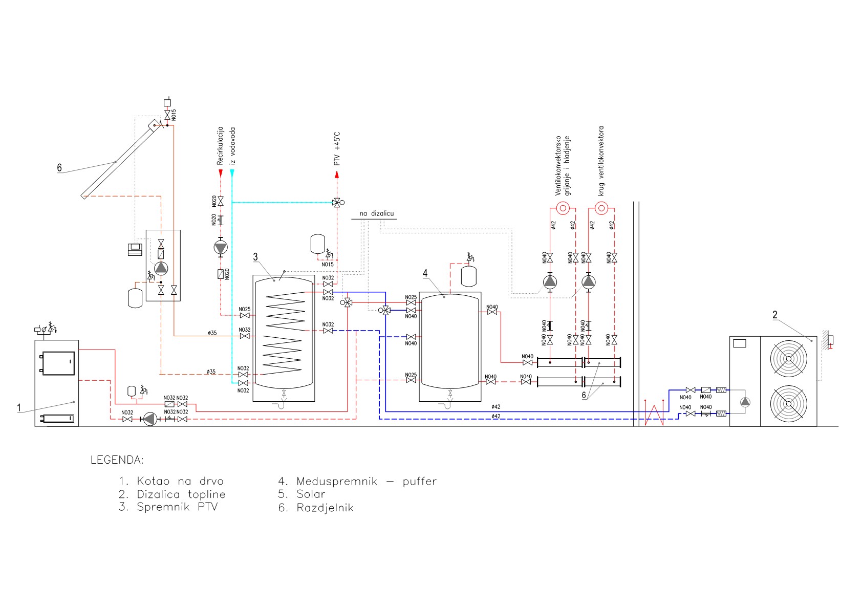
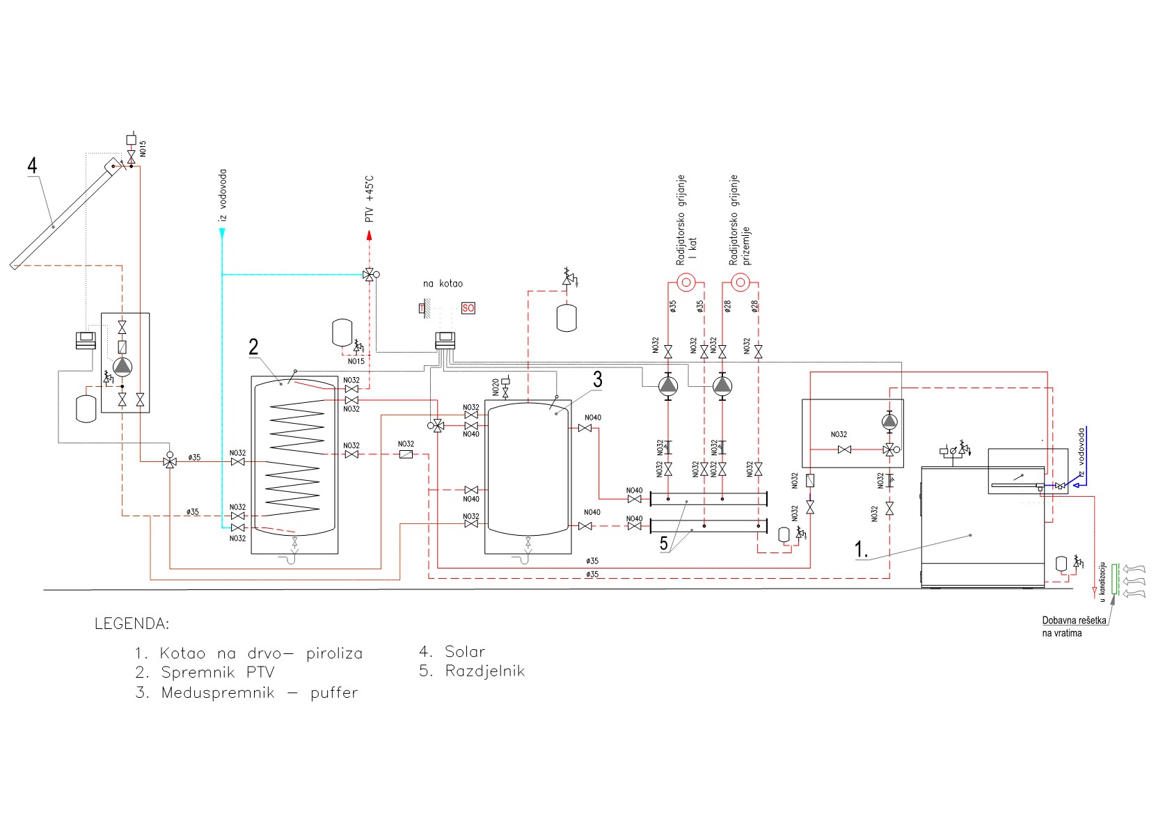
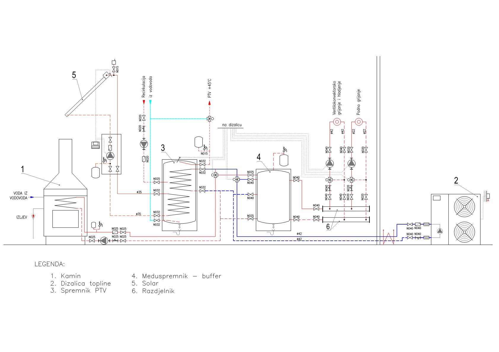
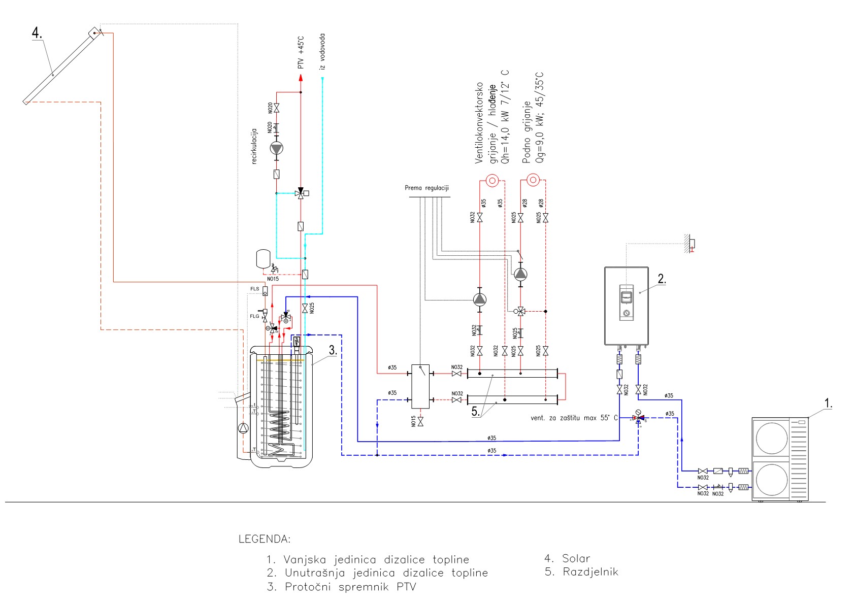
U nastavku je dano nekoliko rješenja sistema grijanja / hlađenje i pripreme PTV.







