Durch das neu verabschiedete Gesetz (nZEB) haben sich gewisse Problemstellen bei der Wahl der Heiz-/Kühlverfahren und -systeme sowie der Warmwasserbereitung ergeben.
Es gibt eine Vielzahl von Lösungen auf dem Markt und nicht jede ist für jedes Gebiet (kontinentaler Raum, Küstenraum) geeignet. Im Gespräch mit dem Projektanten und mit klar definierten Anforderungen (Projektaufgaben) kann eine geeignete Lösung ausgewählt werden. Es ist erforderlich, die Verfügbarkeit von Energieträgern im Bereich der Anlageerrichtung und die Nutzungsart (ganzjährig/saisonal) zu berücksichtigen. Von nicht geringer Bedeutung ist auch das zur Verfügung stehende Budget.
Seit dem EU-Beitritt Kroatiens werden regelmäßig Ausschreibungen zur Kofinanzierung von Energiesparprojekten und der Modernisierung von Heiz-/Kühlsystemen in Einfamilienhäusern ausgeschrieben. Daher ist es notwendig, sich Gedanken über ein System machen, das in der Zukunft aufgerüstet werden kann.
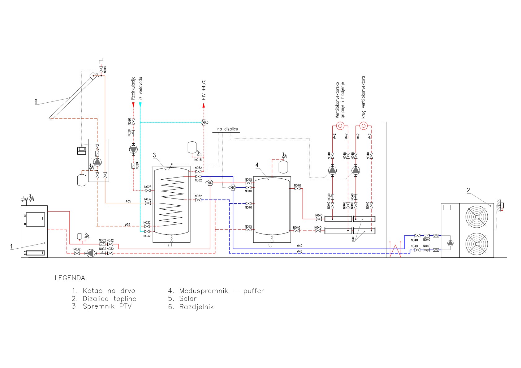
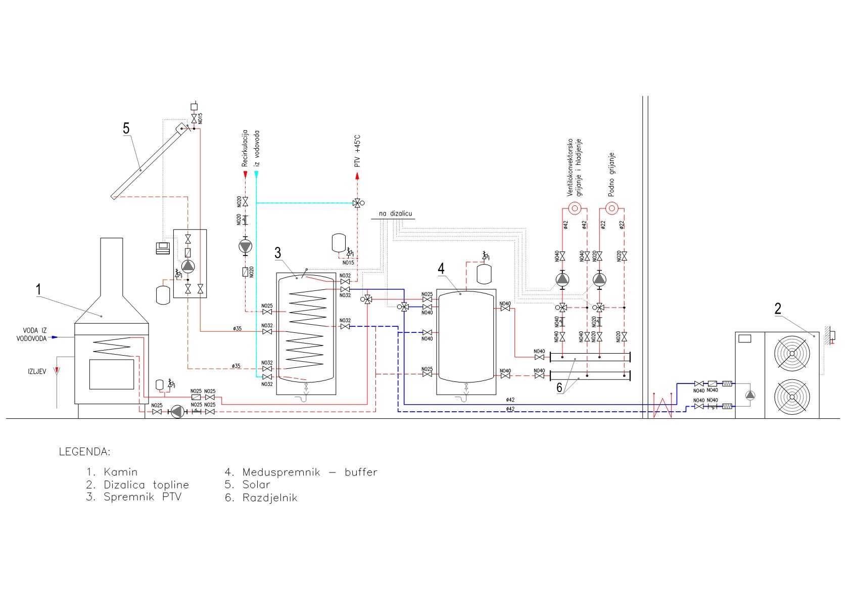
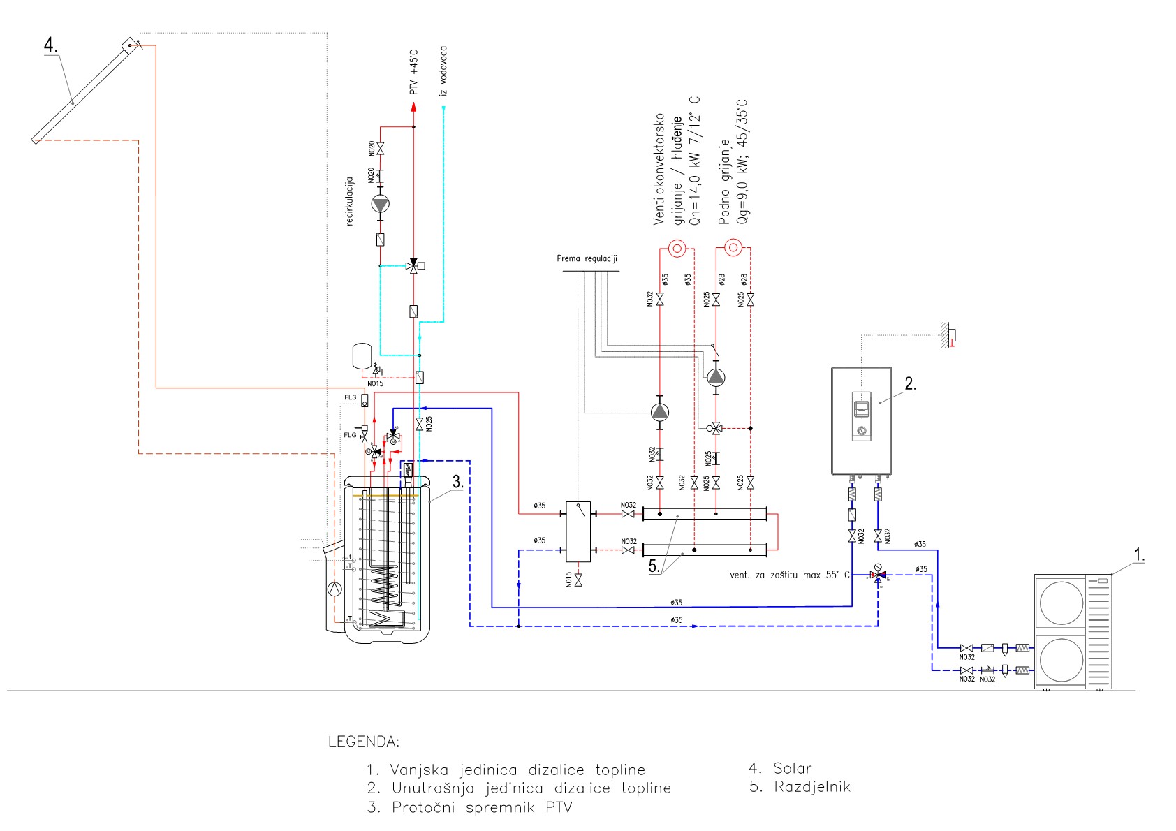
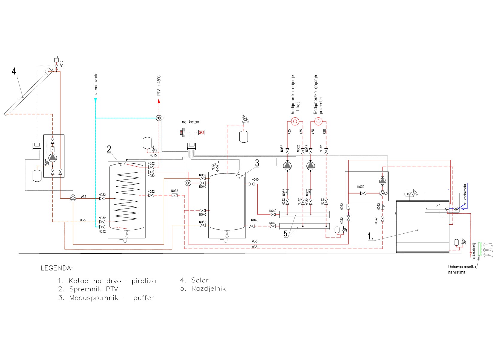
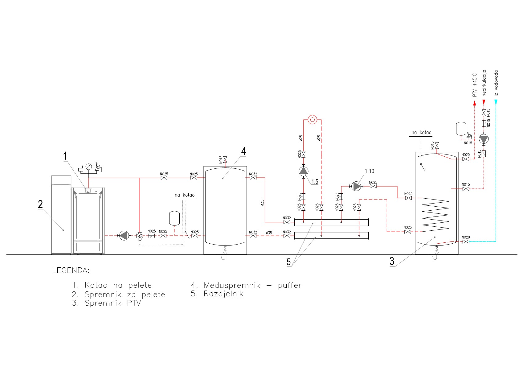
SPLIT-WÄRMEPUMPE MIT HEISSWASSERFLUSSTANK + SOLAR
ANMERKUNG:
-
- Die gezeigten Schemata können nicht für die Ausführung von Arbeiten verwendet werden und dienen nur zu Informationszwecken
- Die Schemata können je nach Art der Ausrüstung variieren
- Für die richtige Auswahl von Geräten und Heiz/ Kühlsystemen ist es notwendig, ein Projekt zu erstellen







